汕潮南府〔2020〕12号
汕头市潮南区人民政府征地和征地补偿安置方案公告
经广东省人民政府批准,广东省人民政府于2020年5月25日以粤府土审(05)〔2020〕27号文批复汕头市人民政府,同意我区将两英镇高美经联社和司马浦镇溪美朱村溪西经联社属下的集体土地0.4314公顷(折合6.47亩)征收为国有土地。现将有关事项公告如下:
一、建设用地项目名称
汕头市潮南区2019年度第十九批次城镇建设用地
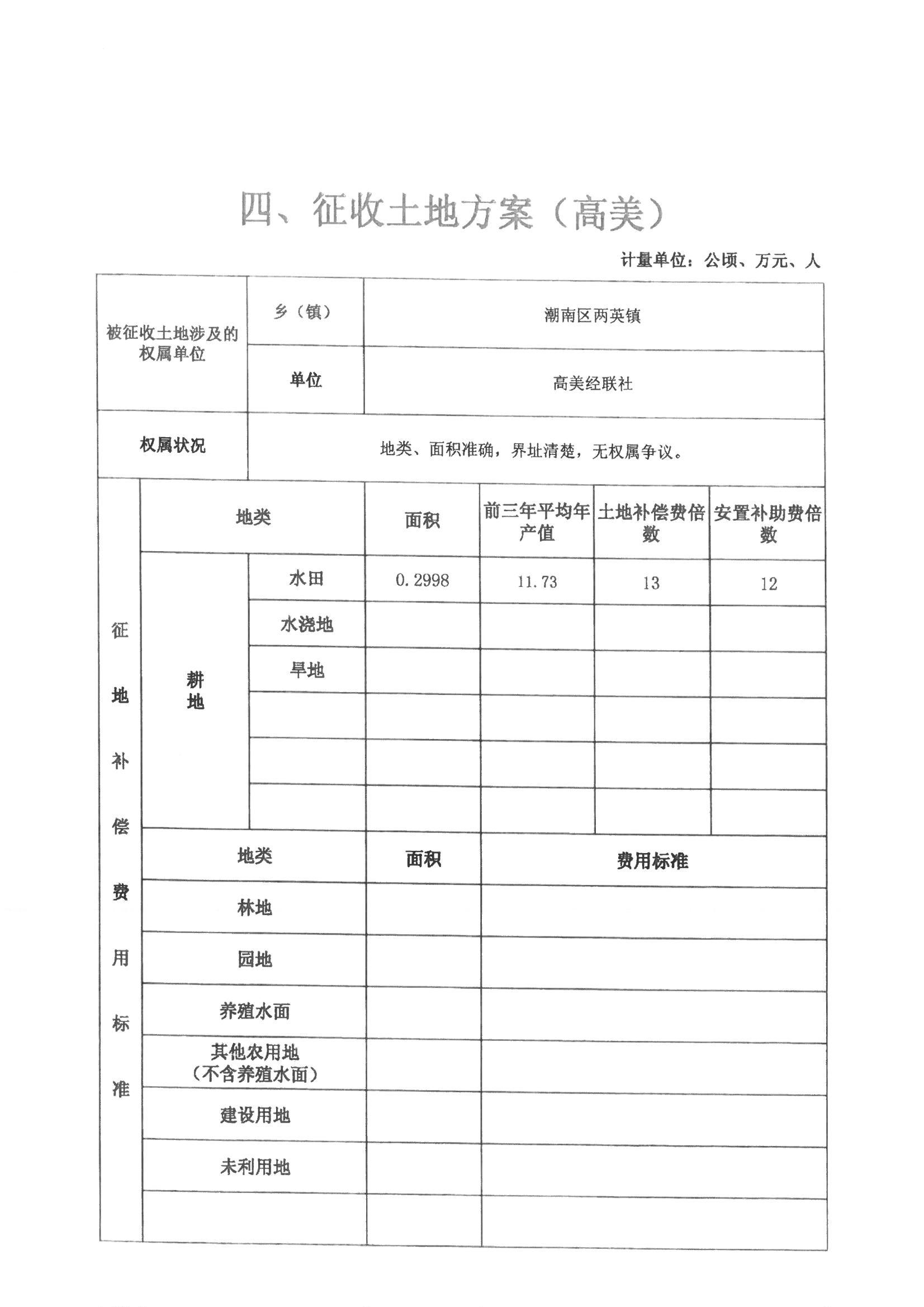
二、征收土地位置、面积及地类
被征收土地位于潮南区两英镇高美经联社和司马浦镇溪美朱村溪西经联社,土地面积计0.4314公顷(折合6.47亩),土地地类:农用地0.2998公顷(水田)、未利用地0.1316公顷。
三、被征收土地所有权人
被征收土地的所有权人为潮南区两英镇高美经联社和司马浦镇溪美朱村溪西经联社。
四、征地补偿安置标准及支付方式
(一)征地补偿标准。
本次征收土地根据《广东省实施<中华人民共和国土地管理法>办法》的有关规定及中共汕头市委《关于加强土地管理若干问题的通知》(汕发〔2009〕10号)精神,并参照周边项目征地的补偿标准,结合上述土地范围内的实际使用情况进行补偿,劳力安置采取货币安置、留用地相结合的方式进行。征收土地面积为6.47亩,征地综合补偿款总额129.4万元。具体详见下表:
(二)支付对象和支付方式。
上述各项补偿费用按规定支付给被征收土地的农村集体经济组织,由被征收土地的集体经济组织根据规定并结合实际落实给被征地农民,支付方式为转账。
(三)留用地安置问题。
两英镇高美经联社选择留用地在本批次一并报批,按征收农用地面积15%的比例计算留用地面积为0.0450公顷;司马浦镇溪美朱村溪西经联社选择留用地折算成货币补偿,按征地面积15%的比例计算留用地面积为0.0197公顷,按每公顷标准1342万元计,补偿司马浦镇溪美朱村溪西经联社26.44万元。
五、被征收土地四至范围内的土地所有权人、使用权人或者其他权利人应在征收土地公告规定的登记期限内,持土地权属证书或者其它有关土地权属证明材料,到指定的地点办理征地补偿登记。
登记期限:自本公告发布之日起1个月内。
登记地点:潮南区两英镇高美经联社、司马浦镇溪美朱村溪西经联社。
六、本公告发布之日起,抢建、抢种的地上附着物和青苗不予办理补偿登记。
七、被征地农民社会保障。按照《广东省人民政府办公厅转发省人力资源社会保障厅关于进一步做好我省被征地农民养老保障工作意见的通知》(粤府办〔2010〕41号)规定,由区人社部门办理。
八、被征收土地的土地所有权人、使用权人或者其他权利人未如期办理补偿登记的,其补偿内容以土地所属潮南区两英镇高美经联社、司马浦镇溪美朱村溪西经联社调查核定的结果为准。
九、本公告自发布之日起,公告期30日;被征收土地所有权人及相关权利人可以自公告期限届满之日起60日内就(粤府土审(05)〔2020〕27号)征地批复向省人民政府申请行政复议。
十、汕头市自然资源局潮南分局负责受理对本公告内容的查询及实施中存在问题的举报。
查询、举报电话:0754-89606639
特此公告。
汕头市潮南区人民政府
2020年5月29日















